Man-tors: 8:00-16:00 / Fredag: 8:00-15:00

1
1
1

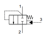
Logic element flow kontrol

Item number: L16S-3C00-0N

Sae 16/3 350 Bar

  • Kan bruges ved fast pumpe og LS udstyr
  • Montering: 65NM
  • L16S-3C00-0N
  • Åbning 16 Bar
Weight 0.3 kg